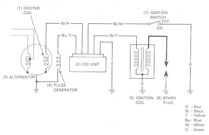
Zündanlage 12 V

Die 12 V Hochspannungs- Kondensatorzündung der Honda DAX befindet sich unter
dem Batteriehalter und ist nicht drehzahlbegrenzt.
Die Stromversorgung der CDI erfolgt über eine Spule im Generator, nicht über die 12V Batteriespannung.

Sobald die aussen am Lichtmaschinenrotor angebrachte Metallerhöhung den Sensor erreicht, wird  die im Kondesator gespeicherte Energie über einen Thyristor an die Zündspule geleitet, wodurch der Zündfunke ausgelöst wird. Deshalb kann keine Austauschzündanlage ohne Veränderung der Metallerhöhung wirklich viel mehr Leistung bringen.
Sinnvoll ist hingegen jede Art von Zündverstellungen, da die normale CDI der DAX nicht darüber verfügt.
Jeder moderne Ottomotor der wirtschaftlich arbeiten soll und über ein hohes Leistungspotzentional verfügt, wird über eine Zündanlage mit variablen Zündzeitpunkt gesteuert, meist werden neben der Motordrehzahl auch Werte wie Drosselklappenstellung, Motorbelastung, Unterdruck im Einlassbereich und verschiedene Temperaturwerte, manchmal sogar die angesaugte Luftmenge/masse zur Berechnung eines Kennfeldes mit einbezogen.
 

Mit sportlichen Grüssen,
Barry Fischer

http://www.Honda-DAX-Tuning.de